Décolletage calcul de came
Décolletage calcul de came
Accueil

page précédente

accueil

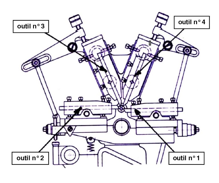
Disposition des outils

came de la poupée mobile terminée

Une fois le tracé et la découpe de toutes les cames dans des rondelles en fonte effectués, le technicien décolleteur va les monter sur l'arbre à cames avec le zéro en face de chaque doigt de levier et ainsi pourra commencer le réglage définitif et la production.

0

Pièces effectuée

sur Petermann n°0 en utilisant le jeu

de cames étudié.

Calcul des cames pour la fabrication d'une vis